
Данный раздел разработан в соответствии с архитектурно-планировочными решениями (чертежи марки "АР") и техническими условиями на конструкции.
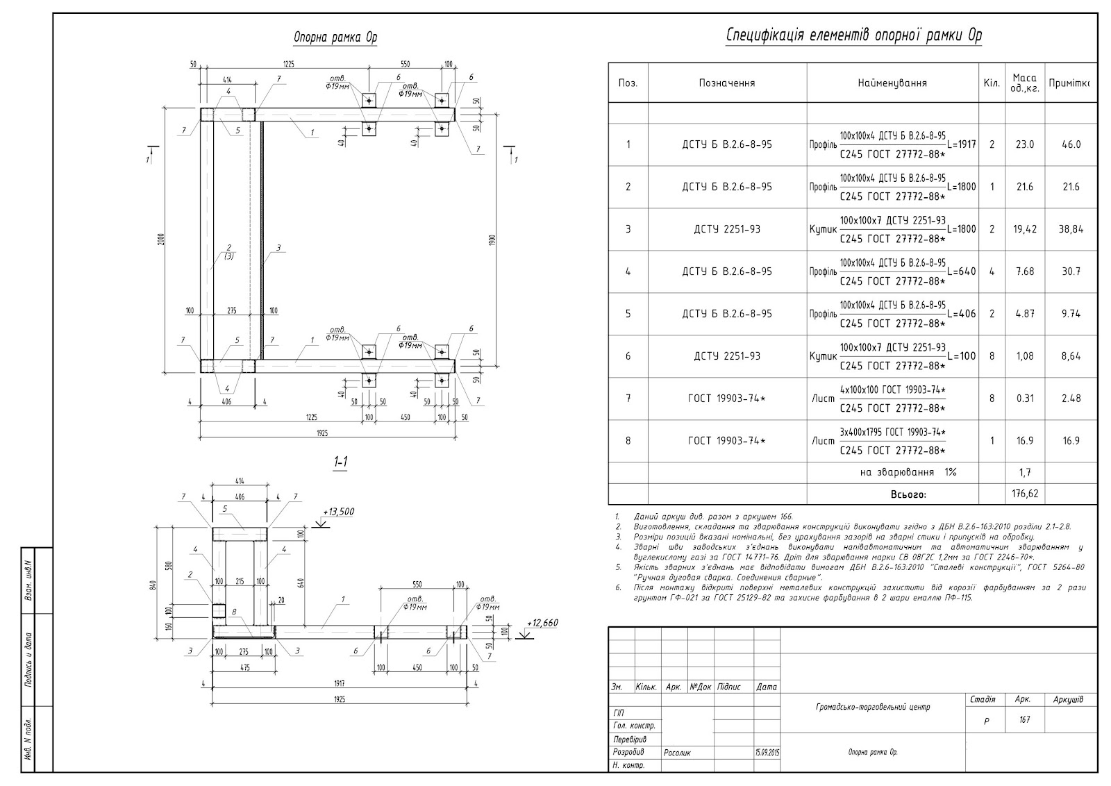
Изготовление, сборку и сварку конструкций выполнять в соответствии с ДБН В.2.6-163: 2010 разделы 2.1 ... 2.8.
Сварные соединения выполнять полуавтоматической сваркой в углекислом газе по ГОСТ 14771-76. Проволока для сварки марки Св 08Г2С ∅ 1, 2 мм по ГОСТ 2246-70. Требования к сварке - по разделу 2.8 ДБНВ.2.6-163: 2010.
Катеты сварных швов рассчитывать на усилия представленные в ведомости элементов и принимать минимальными по табл. 1.12.1 ДБНВ.2.6-163: 2010 "Стальные конструкции. Нормы проектирования, изготовления и монтажа", кроме указанных.
Сварку на монтаже выполнять электродами типа Э42А.
До начала монтажа конструкций в проектное положение выполнить: защиту от коррозии покраской за 2 раза грунтом ГФ-021 по ГОСТ 25129-82 и защитную окраску в два слоя эмалью ПФ-115.



