
Архитектурно-планировочные решения: Сергей Горячев
- Архитектурно-планировочных решений (чертежей марки "АР").
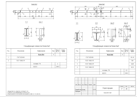
Здание имеет конструктивную схему в соответствии с табл. 7.1 ДБН В.1.1-12:2014 (Строительство в сейсмических районах Украины): Стены комплексной конструкции с использованием стеновых мелких блоков из ячеистых бетонов.
Пространственная жесткость и геометрическая неизменяемость здания обеспечиваются совместной работой продольных и поперечных стен, на которые опираются перекрытия, образующее относительно жесткий в своей плоскости диск.